Модульна станція Wild Tarik`a

Будуємо різні макети, і не забуваємо хвалитися ними
Відповісти
Аватар користувача
wildTarik
Повідомлень: 341
З нами з: 14 серпня 2015, 12:39
Имя: Тарас
Звідки: ст.Стрий Льв.зал.
Мой типоразмер: TT, N
Has thanked: 168 times
Been thanked: 38 times

Модульний макет в ТТ

Повідомлення wildTarik »

Muton писав:Кстати, покажите станцию. Интересно!
Йой, та поки ще нічого нема. Є модуль з фанери, про який писав на сусідньому форумі. Заготовки під стрілки, вокзал в процесі, будка путєйська. Всього по трохи і ніхт толком. Короче, зараз перенесу тему сюди. Дещо в схемі станції змінилось, тому актуальне оновлю на днях.
Востаннє редагувалось 22 листопада 2015, 19:26 користувачем wildTarik, всього редагувалось 1 раз.
Герої не вмирають!
=================================
Зображення
Аватар користувача
wildTarik
Повідомлень: 341
З нами з: 14 серпня 2015, 12:39
Имя: Тарас
Звідки: ст.Стрий Льв.зал.
Мой типоразмер: TT, N
Has thanked: 168 times
Been thanked: 38 times

Re: Модульний макет в ТТ

Повідомлення wildTarik »

28.04.2014
Привіт. Моделюванням займаюсь давно, але недавно вирішив зайнятись серйозніше, ніж просто робити вагони з картону (фото викладу колись пізніше). Значить надивився я фото/відео і загорівся. Зародилась ідея зробити макет. Оскільки виділити окреме приміщення або хоча б доволі великий куток в квартирі можливості нема, тому вирішив робити модульним. З торцями поки не визначився тому роблю своє, а якщо вже приспічить покататись, то перехідний модуль швиденько зробиться. Планів в голові хмара, всьо вирує, але потрібно пригальмувати і почати з чогось найпростішого.
Ну і почав пиляти будку путєйців. В Епіцентрі був лист ПВХ товщиною 1 мм. Купив, запиляв, зробив інтер'єр, освітлення. Мдя... ПВХ не то.
Зображення
Як то кажуть перший блін комом, але враховуючи, що матеріал для мене новий, то якщо помалювати грамотно і зістарити, думаю сойдьот :) Вроді як перший крок був дуже навіть вдалим. Потім почитав-покурив форум і придбав листи полістиролу 0.5, 0.7 і 1.0 мм розмірами 2х1 м, думаю вистачить на довго. Далі прикупив профільні рейки і спаяв стрілку, оскільки, подивившись на ціни і їх вигляд, вирішив робити самому. В америкосів підглянув як вони їх паяють, зліпив кондуктор (поки лише на праву, поряд зараз вже майже готовий для лівої).
Зображення Зображення
Приводи стрілок будуть з РПСок. Власне сама задумка макету навіть не стільки катати, скільки організувати роботу СЦБ. Сам я СЦБіст, тому інтерес саме до того, щоб самому спаяти ЕЦ для макету. Вагався чи робити ЕЦ сучасною з АРМом ДСП/ДНЦ у вигляді ноутбука чи все ж таки зі звичайним пультом. Зупинився на останньому варіанті, оскільки поклацати кнопки і подивитись як загоряються діоди цікавіше. А в комп'ютері і без того симуляторів і тренажерів вистачає :D На перегонах ще не визначився: АБ чи РПБ.
Макет буде по мотивах ліній Тернопільської/Івано-Франківської області, малодіяльна одноколійка на тепловозній тязі із зарослими і замазученими коліями, старенькими вокзалами... Щось на зразок цього або цього.
Можливо біля Ч2 вставлю ще одну стрілку і в сторону станційних колій зроблю тупик зі складом або фрагмент деревообробного комбінату. На схемі вокзал і платформи показані в оригінальних розмірах. Власне приміряю креслення вокзалу. Типовий проект радянського союзу, яких ціла купа на теренах УЗ (а там і кусочого "списаного" картонного вагону)
Зображення
Станція має бути по мотивах станції Бережани Львівської залізниці.[/quote]

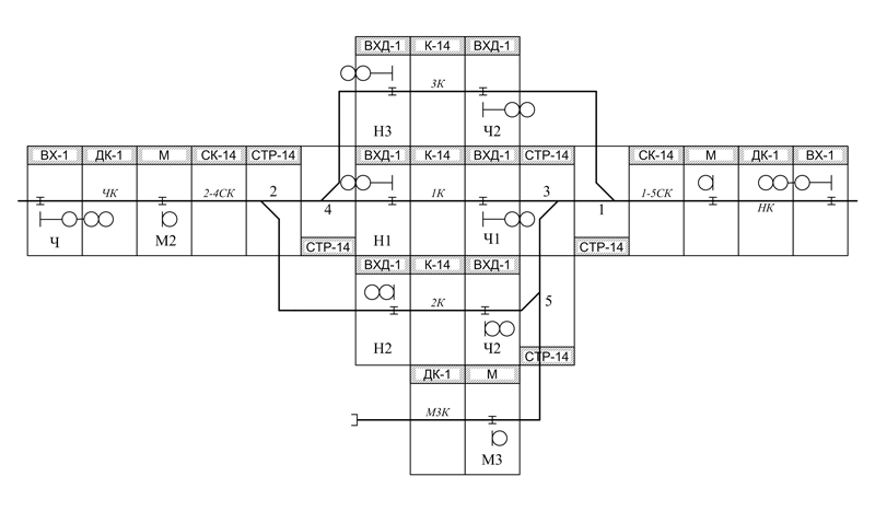
28.102015
[quote]Після тривалої паузи на ремонт кухні (фух, слава Богу то закінчилось :D ), роботи поновлено. За цей час вечорами та по трішки на роботі :oops: були розроблені і перевірені на макетці схеми деяких модулів системи ЕЦ. Власне сама ЕЦ буде по типу БМРЦ (блочна маршрутно-релейна централізація), тільки замість релейних блоків будуть модулі на ТТЛ логіці, транзисторних ключах і решті напівпровідникової шушвалі.

Однонитковий план станції

Блочний план станції
Блочний.png
Плата модуля керування стрілкою
DSC_3668.JPG
Крутимо перший модуль. Фоткала і допомагала дружина. Туалетний папір щоб клей витирати, а не те що ви подумали :D
DSC_3697.JPG
DSC_3699.JPG
DSC_3735.JPG
Сьогодні робив ноги модулю, але фоткати поки нема що, оскільки забув болти для кріплення купити.
Герої не вмирають!
=================================
Зображення
Аватар користувача
Muton
Повідомлень: 3973
З нами з: 11 травня 2015, 23:12
Имя: Вітя
Звідки: Київ
Мой типоразмер: НО
Has thanked: 1027 times
Been thanked: 1163 times

Re: Модульний макет в ТТ

Повідомлення Muton »

Спасибо, было интересно почитать.
О, а что там за ЦМВ синенький засветился на фото? :shock: Ваша работа?
Макет буде по мотивах ліній Тернопільської/Івано-Франківської області, малодіяльна одноколійка на тепловозній тязі із зарослими і замазученими коліями, старенькими вокзалами...
Обожаю кататься на дизеле между Яремче и Ивано-Франковском. Колоритная тема.
Власне сама задумка макету навіть не стільки катати, скільки організувати роботу СЦБ.
Я настолько далек от электрики, что для меня это почти магия :) Удачи!
Аватар користувача
Stinky
Супермодератор
Повідомлень: 6232
З нами з: 16 травня 2015, 01:19
Имя: Дионисий
Звідки: Kiew
Мой типоразмер: Н0
Has thanked: 1400 times
Been thanked: 3009 times
Контактна інформація:

Re: Модульний макет в ТТ

Повідомлення Stinky »

Познавательно довольно.Ждем продолжения.Также немаловажная фраза:
"Фоткала і допомагала дружина".Считаю это очень хорошим и приятным
фактом.Хорошо когда хобби понимают,а еще лучше когда поддерживают. :roll:
Зображення
Аватар користувача
wildTarik
Повідомлень: 341
З нами з: 14 серпня 2015, 12:39
Имя: Тарас
Звідки: ст.Стрий Льв.зал.
Мой типоразмер: TT, N
Has thanked: 168 times
Been thanked: 38 times

Re: Модульний макет в ТТ

Повідомлення wildTarik »

Muton писав:Спасибо, было интересно почитать.
О, а что там за ЦМВ синенький засветился на фото? :shock: Ваша работа?
Вагон робив ще в далекому 2005му вроді. Фактично перша більш-менш серйозна модель. З картону. Плацкар, відКВРений в Ковелі. В простонароді "поляк". Повністю все самопальне і воно навіть якось їздило і ще й хвости і освітлення працювало від батарейки :D Колись напишу про нього, якщо цікаво.
Герої не вмирають!
=================================
Зображення
Аватар користувача
vover
Супермодератор
Повідомлень: 3229
З нами з: 02 серпня 2015, 16:29
Имя: Владимир
Звідки: Будапешт
Мой типоразмер: H0
Has thanked: 1252 times
Been thanked: 472 times

Re: Модульний макет в ТТ

Повідомлення vover »

Звісно цікаво! Гарний вагончик! Чекаємо на його огляд ;)
Аватар користувача
youdmit
Повідомлень: 3303
З нами з: 30 липня 2015, 01:48
Имя: ЮрСанич
Звідки: Київ
Мой типоразмер: H0, H0e
Has thanked: 1951 times
Been thanked: 4008 times

Re: Модульний макет в ТТ

Повідомлення youdmit »

wildTarik писав:Вагон робив ще в далекому 2005му вроді. Фактично перша більш-менш серйозна модель. З картону.
Обязательно надо показать! Принципиально не делаю модели ПС из картона, чем очень огорчаю коллег с картонных форумов. Может созрею...
Stinky писав:"Фоткала і допомагала дружина".Считаю это очень хорошим и приятным фактом. Хорошо когда хобби понимают,а еще лучше когда поддерживают.
Это супер-фактор в нашем деле! Если просто не мешают - то уже за счастье, а тут ещё и реально помогают.
Я сотый раз, опять начну сначала... (А.Макаревич)
Аватар користувача
Muton
Повідомлень: 3973
З нами з: 11 травня 2015, 23:12
Имя: Вітя
Звідки: Київ
Мой типоразмер: НО
Has thanked: 1027 times
Been thanked: 1163 times

Re: Модульний макет в ТТ

Повідомлення Muton »

wildTarik писав: Колись напишу про нього, якщо цікаво.
Конечно интересно! Надеюсь как-то выложите обзор :oops:
Аватар користувача
wildTarik
Повідомлень: 341
З нами з: 14 серпня 2015, 12:39
Имя: Тарас
Звідки: ст.Стрий Льв.зал.
Мой типоразмер: TT, N
Has thanked: 168 times
Been thanked: 38 times

Модульна станція Wild Tarik`a

Повідомлення wildTarik »

Давніше цікавились станцією. Закину декілька фото по роботі. Опис буде далі, бо зараз на реальній колії завал по роботі
Однонитковий план
Однонитковий план
Сам модуль поки має такий вигляд
DSC_6918.JPG
DSC_6919.JPG
Вчора чпокався над саморобним флокатором. Результати поки такі собі, але це без другої половини множника
DSC_7071.jpg
DSC_7073.jpg
Далі буде...
Герої не вмирають!
=================================
Зображення
Аватар користувача
Stinky
Супермодератор
Повідомлень: 6232
З нами з: 16 травня 2015, 01:19
Имя: Дионисий
Звідки: Kiew
Мой типоразмер: Н0
Has thanked: 1400 times
Been thanked: 3009 times
Контактна інформація:

Re: Модульна станція Wild Tarik`a

Повідомлення Stinky »

Лично мне результат чпокания с флокатором и ворсинками оч понравился.
Травичка получилась что надо. :roll:
Зображення
Аватар користувача
wildTarik
Повідомлень: 341
З нами з: 14 серпня 2015, 12:39
Имя: Тарас
Звідки: ст.Стрий Льв.зал.
Мой типоразмер: TT, N
Has thanked: 168 times
Been thanked: 38 times

Re: Модульна станція Wild Tarik`a

Повідомлення wildTarik »

Колір якийсь кислотний. Тре флок інший шукати. Може в неділю шось приглянеться. При роботі флокатора коціто з хати тікає :D
Герої не вмирають!
=================================
Зображення
Аватар користувача
youdmit
Повідомлень: 3303
З нами з: 30 липня 2015, 01:48
Имя: ЮрСанич
Звідки: Київ
Мой типоразмер: H0, H0e
Has thanked: 1951 times
Been thanked: 4008 times

Re: Модульна станція Wild Tarik`a

Повідомлення youdmit »

А мне такой чпок тоже понравился. Цвет - это уже на любителя, а трава выросла очень даже реалистично.
Я сотый раз, опять начну сначала... (А.Макаревич)
Аватар користувача
wildTarik
Повідомлень: 341
З нами з: 14 серпня 2015, 12:39
Имя: Тарас
Звідки: ст.Стрий Льв.зал.
Мой типоразмер: TT, N
Has thanked: 168 times
Been thanked: 38 times

Re: Модульна станція Wild Tarik`a

Повідомлення wildTarik »

А так ми з дружиною крутили модуль :)
DSC_3697.JPG
DSC_3699.JPG
DSC_3735.JPG
Герої не вмирають!
=================================
Зображення
Аватар користувача
wildTarik
Повідомлень: 341
З нами з: 14 серпня 2015, 12:39
Имя: Тарас
Звідки: ст.Стрий Льв.зал.
Мой типоразмер: TT, N
Has thanked: 168 times
Been thanked: 38 times

Re: Модульна станція Wild Tarik`a

Повідомлення wildTarik »

Відвідавши Kyiv Scale Models Fest 2016 зарядився таким натхненням, що вчора і сьогодні весь вечір паяю парну горловину станції. Срач творчий, тому сорян :D
DSC_7158.jpg
DSC_7161.jpg
Герої не вмирають!
=================================
Зображення
Аватар користувача
youdmit
Повідомлень: 3303
З нами з: 30 липня 2015, 01:48
Имя: ЮрСанич
Звідки: Київ
Мой типоразмер: H0, H0e
Has thanked: 1951 times
Been thanked: 4008 times

Re: Модульна станція Wild Tarik`a

Повідомлення youdmit »

wildTarik писав: Срач творчий, тому сорян :D
Всё чинно и благородно. Порядок, можно сказать, идеальный.
Срач выглядит не так - я это точно знаю...
Я сотый раз, опять начну сначала... (А.Макаревич)
4erep_pashka
Повідомлень: 113
З нами з: 02 лютого 2016, 10:15
Имя: Павло
Звідки: Львів
Мой типоразмер: H0
Has thanked: 71 times
Been thanked: 6 times
Контактна інформація:

Re: Модульна станція Wild Tarik`a

Повідомлення 4erep_pashka »

Тарас, рекомендую, все ж паяти більш пологі стрілки. В мене на станції є стрілки з малими радіусами... шкодую на кожних покатушках. Тому, по головному ходу, на нових модулях депо вже сам паяв стрілки по 50 сантиметрів кожна. Воно того вартує! :)

А те, що вас надихнуло - приємно!:) наступний раз - осінь, приєднуйтесь!

p.s.Шкода, що не познайомились.
Аватар користувача
wildTarik
Повідомлень: 341
З нами з: 14 серпня 2015, 12:39
Имя: Тарас
Звідки: ст.Стрий Льв.зал.
Мой типоразмер: TT, N
Has thanked: 168 times
Been thanked: 38 times

Re: Модульна станція Wild Tarik`a

Повідомлення wildTarik »

Привіт. Ну по радіусах я б не сказав, шо біда. Стрілка радіусом приблизно 500 мм, кут хрестовини 11,2 градуси, довжина від початку гостряків до кінця хрестовини 135 мм. Для ТТ, думаю, нормально. Принаймі прокатав пасажирський вагон - страшних зламів составу не помітив.

Дійсно шкода, що не познайомились. Але в нас було дуже мало часу. В сумі на виставці були до години часу. Якось ще познайомимось. І до мене можна на ти :)
Герої не вмирають!
=================================
Зображення
Аватар користувача
Stinky
Супермодератор
Повідомлень: 6232
З нами з: 16 травня 2015, 01:19
Имя: Дионисий
Звідки: Kiew
Мой типоразмер: Н0
Has thanked: 1400 times
Been thanked: 3009 times
Контактна інформація:

Re: Модульна станція Wild Tarik`a

Повідомлення Stinky »

Согласен что на покате КМ стрелки выглядят очень круто.Но на пайку своих стрелок
как то не дозрел. :roll:
Зображення
Аватар користувача
wildTarik
Повідомлень: 341
З нами з: 14 серпня 2015, 12:39
Имя: Тарас
Звідки: ст.Стрий Льв.зал.
Мой типоразмер: TT, N
Has thanked: 168 times
Been thanked: 38 times

Re: Модульна станція Wild Tarik`a

Повідомлення wildTarik »

За останні дні трохи попаяв, поковиряв. За сьогодні переставив два BTTB пасажира на сцепки Kadee. Тепер ламаю голову як їх поставити на лок. Також зробив "теплицю" для захисту від пилу. Залишилось плівкою затягнути. Ну і на підході горловина.
IMG_20160612_014140.jpg
IMG_20160612_014212.jpg
IMG_20160612_015410.jpg
Герої не вмирають!
=================================
Зображення
Аватар користувача
wildTarik
Повідомлень: 341
З нами з: 14 серпня 2015, 12:39
Имя: Тарас
Звідки: ст.Стрий Льв.зал.
Мой типоразмер: TT, N
Has thanked: 168 times
Been thanked: 38 times

Re: Модульна станція Wild Tarik`a

Повідомлення wildTarik »

Гуру аналогових макетів, до вас питання. Чи є необхідність робити ізольовану ділянку (Н3П, Н1П) перед вихідними? По логіці вона вроді як необхідна для запобігання виїзду локомотива в горловину (де може бути ще й інша полярність в рейках при схрещенні) при завтиці. Але от вони мене трохи смущають, бо живлення буде двома окремими блоками ШИМу для того, щоб при відстої вагонів без локомотива колія живилась "мінімальною напругою" від одного блоку і освітлення працювало, а інший - для поїзного/маневрового руху. Але зараз не про це. Просто якщо вагони залишаться на цій ізольованій дільниці, то й світла нє будьот. До того ж потрібно визначитись ще й з її довжиною. Ясно що довжина найбільшого локомотива плюс гальмівний шлях. Припустимо, що на майбутнє буде двосеційний лок. Його довжина приблизно 30 см, плюс 10 см на зупинку. Тоді нафік ту дільницю, якщо довжина колії метр з копійками (якщо без модуля-подовжувача). Може просто колію розділити пополам і через ЕЦ зав'язати наступним чином: вихідний закритий; при прийманні поїзда перша половина колії живиться від загального блоку живлення (може й через резистор, який знизить швидкість), а друга (перед вихідним) від нього ж але коли вона займеться - звучить звуковий сигнал про наближення. При відкритому вихідному обидві ділянки живляться від звичайного блока і ніц не пілікає. :roll:
Герої не вмирають!
=================================
Зображення
Відповісти

Повернутись до “Модулі та макети”