Йой, та поки ще нічого нема. Є модуль з фанери, про який писав на сусідньому форумі. Заготовки під стрілки, вокзал в процесі, будка путєйська. Всього по трохи і ніхт толком. Короче, зараз перенесу тему сюди. Дещо в схемі станції змінилось, тому актуальне оновлю на днях.Muton писав:Кстати, покажите станцию. Интересно!
Модульна станція Wild Tarik`a
- wildTarik
- Повідомлень: 341
- З нами з: 14 серпня 2015, 12:39
- Имя: Тарас
- Звідки: ст.Стрий Льв.зал.
- Мой типоразмер: TT, N
- Has thanked: 168 times
- Been thanked: 38 times
Модульний макет в ТТ
Востаннє редагувалось 22 листопада 2015, 19:26 користувачем wildTarik, всього редагувалось 1 раз.
Герої не вмирають!
=================================

=================================

- wildTarik
- Повідомлень: 341
- З нами з: 14 серпня 2015, 12:39
- Имя: Тарас
- Звідки: ст.Стрий Льв.зал.
- Мой типоразмер: TT, N
- Has thanked: 168 times
- Been thanked: 38 times
Re: Модульний макет в ТТ
28.04.2014
Привіт. Моделюванням займаюсь давно, але недавно вирішив зайнятись серйозніше, ніж просто робити вагони з картону (фото викладу колись пізніше). Значить надивився я фото/відео і загорівся. Зародилась ідея зробити макет. Оскільки виділити окреме приміщення або хоча б доволі великий куток в квартирі можливості нема, тому вирішив робити модульним. З торцями поки не визначився тому роблю своє, а якщо вже приспічить покататись, то перехідний модуль швиденько зробиться. Планів в голові хмара, всьо вирує, але потрібно пригальмувати і почати з чогось найпростішого.
Ну і почав пиляти будку путєйців. В Епіцентрі був лист ПВХ товщиною 1 мм. Купив, запиляв, зробив інтер'єр, освітлення. Мдя... ПВХ не то.

Як то кажуть перший блін комом, але враховуючи, що матеріал для мене новий, то якщо помалювати грамотно і зістарити, думаю сойдьот
Вроді як перший крок був дуже навіть вдалим. Потім почитав-покурив форум і придбав листи полістиролу 0.5, 0.7 і 1.0 мм розмірами 2х1 м, думаю вистачить на довго. Далі прикупив профільні рейки і спаяв стрілку, оскільки, подивившись на ціни і їх вигляд, вирішив робити самому. В америкосів підглянув як вони їх паяють, зліпив кондуктор (поки лише на праву, поряд зараз вже майже готовий для лівої).

Приводи стрілок будуть з РПСок. Власне сама задумка макету навіть не стільки катати, скільки організувати роботу СЦБ. Сам я СЦБіст, тому інтерес саме до того, щоб самому спаяти ЕЦ для макету. Вагався чи робити ЕЦ сучасною з АРМом ДСП/ДНЦ у вигляді ноутбука чи все ж таки зі звичайним пультом. Зупинився на останньому варіанті, оскільки поклацати кнопки і подивитись як загоряються діоди цікавіше. А в комп'ютері і без того симуляторів і тренажерів вистачає
На перегонах ще не визначився: АБ чи РПБ.
Макет буде по мотивах ліній Тернопільської/Івано-Франківської області, малодіяльна одноколійка на тепловозній тязі із зарослими і замазученими коліями, старенькими вокзалами... Щось на зразок цього або цього.
Можливо біля Ч2 вставлю ще одну стрілку і в сторону станційних колій зроблю тупик зі складом або фрагмент деревообробного комбінату. На схемі вокзал і платформи показані в оригінальних розмірах. Власне приміряю креслення вокзалу. Типовий проект радянського союзу, яких ціла купа на теренах УЗ (а там і кусочого "списаного" картонного вагону)

Станція має бути по мотивах станції Бережани Львівської залізниці.[/quote]
28.102015
[quote]Після тривалої паузи на ремонт кухні (фух, слава Богу то закінчилось
), роботи поновлено. За цей час вечорами та по трішки на роботі
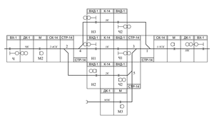
були розроблені і перевірені на макетці схеми деяких модулів системи ЕЦ. Власне сама ЕЦ буде по типу БМРЦ (блочна маршрутно-релейна централізація), тільки замість релейних блоків будуть модулі на ТТЛ логіці, транзисторних ключах і решті напівпровідникової шушвалі.
Однонитковий план станції
Блочний план станції Плата модуля керування стрілкою Крутимо перший модуль. Фоткала і допомагала дружина. Туалетний папір щоб клей витирати, а не те що ви подумали
Сьогодні робив ноги модулю, але фоткати поки нема що, оскільки забув болти для кріплення купити.
Привіт. Моделюванням займаюсь давно, але недавно вирішив зайнятись серйозніше, ніж просто робити вагони з картону (фото викладу колись пізніше). Значить надивився я фото/відео і загорівся. Зародилась ідея зробити макет. Оскільки виділити окреме приміщення або хоча б доволі великий куток в квартирі можливості нема, тому вирішив робити модульним. З торцями поки не визначився тому роблю своє, а якщо вже приспічить покататись, то перехідний модуль швиденько зробиться. Планів в голові хмара, всьо вирує, але потрібно пригальмувати і почати з чогось найпростішого.
Ну і почав пиляти будку путєйців. В Епіцентрі був лист ПВХ товщиною 1 мм. Купив, запиляв, зробив інтер'єр, освітлення. Мдя... ПВХ не то.

Як то кажуть перший блін комом, але враховуючи, що матеріал для мене новий, то якщо помалювати грамотно і зістарити, думаю сойдьот



Приводи стрілок будуть з РПСок. Власне сама задумка макету навіть не стільки катати, скільки організувати роботу СЦБ. Сам я СЦБіст, тому інтерес саме до того, щоб самому спаяти ЕЦ для макету. Вагався чи робити ЕЦ сучасною з АРМом ДСП/ДНЦ у вигляді ноутбука чи все ж таки зі звичайним пультом. Зупинився на останньому варіанті, оскільки поклацати кнопки і подивитись як загоряються діоди цікавіше. А в комп'ютері і без того симуляторів і тренажерів вистачає

Макет буде по мотивах ліній Тернопільської/Івано-Франківської області, малодіяльна одноколійка на тепловозній тязі із зарослими і замазученими коліями, старенькими вокзалами... Щось на зразок цього або цього.
Можливо біля Ч2 вставлю ще одну стрілку і в сторону станційних колій зроблю тупик зі складом або фрагмент деревообробного комбінату. На схемі вокзал і платформи показані в оригінальних розмірах. Власне приміряю креслення вокзалу. Типовий проект радянського союзу, яких ціла купа на теренах УЗ (а там і кусочого "списаного" картонного вагону)

Станція має бути по мотивах станції Бережани Львівської залізниці.[/quote]
28.102015
[quote]Після тривалої паузи на ремонт кухні (фух, слава Богу то закінчилось


Однонитковий план станції
Блочний план станції Плата модуля керування стрілкою Крутимо перший модуль. Фоткала і допомагала дружина. Туалетний папір щоб клей витирати, а не те що ви подумали

Герої не вмирають!
=================================

=================================

- Muton
- Повідомлень: 3973
- З нами з: 11 травня 2015, 23:12
- Имя: Вітя
- Звідки: Київ
- Мой типоразмер: НО
- Has thanked: 1027 times
- Been thanked: 1163 times
Re: Модульний макет в ТТ
Спасибо, было интересно почитать.
О, а что там за ЦМВ синенький засветился на фото?
Ваша работа?
Удачи!
О, а что там за ЦМВ синенький засветился на фото?

Обожаю кататься на дизеле между Яремче и Ивано-Франковском. Колоритная тема.Макет буде по мотивах ліній Тернопільської/Івано-Франківської області, малодіяльна одноколійка на тепловозній тязі із зарослими і замазученими коліями, старенькими вокзалами...
Я настолько далек от электрики, что для меня это почти магияВласне сама задумка макету навіть не стільки катати, скільки організувати роботу СЦБ.

- Stinky
- Супермодератор
- Повідомлень: 6232
- З нами з: 16 травня 2015, 01:19
- Имя: Дионисий
- Звідки: Kiew
- Мой типоразмер: Н0
- Has thanked: 1400 times
- Been thanked: 3009 times
- Контактна інформація:
Re: Модульний макет в ТТ
Познавательно довольно.Ждем продолжения.Также немаловажная фраза:
"Фоткала і допомагала дружина".Считаю это очень хорошим и приятным
фактом.Хорошо когда хобби понимают,а еще лучше когда поддерживают.
"Фоткала і допомагала дружина".Считаю это очень хорошим и приятным
фактом.Хорошо когда хобби понимают,а еще лучше когда поддерживают.


- wildTarik
- Повідомлень: 341
- З нами з: 14 серпня 2015, 12:39
- Имя: Тарас
- Звідки: ст.Стрий Льв.зал.
- Мой типоразмер: TT, N
- Has thanked: 168 times
- Been thanked: 38 times
Re: Модульний макет в ТТ
Вагон робив ще в далекому 2005му вроді. Фактично перша більш-менш серйозна модель. З картону. Плацкар, відКВРений в Ковелі. В простонароді "поляк". Повністю все самопальне і воно навіть якось їздило і ще й хвости і освітлення працювало від батарейкиMuton писав:Спасибо, было интересно почитать.
О, а что там за ЦМВ синенький засветился на фото?Ваша работа?

Герої не вмирають!
=================================

=================================

- vover
- Супермодератор
- Повідомлень: 3229
- З нами з: 02 серпня 2015, 16:29
- Имя: Владимир
- Звідки: Будапешт
- Мой типоразмер: H0
- Has thanked: 1252 times
- Been thanked: 472 times
- youdmit
- Повідомлень: 3303
- З нами з: 30 липня 2015, 01:48
- Имя: ЮрСанич
- Звідки: Київ
- Мой типоразмер: H0, H0e
- Has thanked: 1951 times
- Been thanked: 4008 times
Re: Модульний макет в ТТ
Обязательно надо показать! Принципиально не делаю модели ПС из картона, чем очень огорчаю коллег с картонных форумов. Может созрею...wildTarik писав:Вагон робив ще в далекому 2005му вроді. Фактично перша більш-менш серйозна модель. З картону.
Это супер-фактор в нашем деле! Если просто не мешают - то уже за счастье, а тут ещё и реально помогают.Stinky писав:"Фоткала і допомагала дружина".Считаю это очень хорошим и приятным фактом. Хорошо когда хобби понимают,а еще лучше когда поддерживают.
Я сотый раз, опять начну сначала... (А.Макаревич)
- Muton
- Повідомлень: 3973
- З нами з: 11 травня 2015, 23:12
- Имя: Вітя
- Звідки: Київ
- Мой типоразмер: НО
- Has thanked: 1027 times
- Been thanked: 1163 times
Re: Модульний макет в ТТ
Конечно интересно! Надеюсь как-то выложите обзорwildTarik писав: Колись напишу про нього, якщо цікаво.

- wildTarik
- Повідомлень: 341
- З нами з: 14 серпня 2015, 12:39
- Имя: Тарас
- Звідки: ст.Стрий Льв.зал.
- Мой типоразмер: TT, N
- Has thanked: 168 times
- Been thanked: 38 times
Модульна станція Wild Tarik`a
Давніше цікавились станцією. Закину декілька фото по роботі. Опис буде далі, бо зараз на реальній колії завал по роботі
Сам модуль поки має такий вигляд
Вчора чпокався над саморобним флокатором. Результати поки такі собі, але це без другої половини множника
Далі буде...Герої не вмирають!
=================================

=================================

- Stinky
- Супермодератор
- Повідомлень: 6232
- З нами з: 16 травня 2015, 01:19
- Имя: Дионисий
- Звідки: Kiew
- Мой типоразмер: Н0
- Has thanked: 1400 times
- Been thanked: 3009 times
- Контактна інформація:
Re: Модульна станція Wild Tarik`a
Лично мне результат чпокания с флокатором и ворсинками оч понравился.
Травичка получилась что надо.
Травичка получилась что надо.


- wildTarik
- Повідомлень: 341
- З нами з: 14 серпня 2015, 12:39
- Имя: Тарас
- Звідки: ст.Стрий Льв.зал.
- Мой типоразмер: TT, N
- Has thanked: 168 times
- Been thanked: 38 times
Re: Модульна станція Wild Tarik`a
Колір якийсь кислотний. Тре флок інший шукати. Може в неділю шось приглянеться. При роботі флокатора коціто з хати тікає 

Герої не вмирають!
=================================

=================================

- youdmit
- Повідомлень: 3303
- З нами з: 30 липня 2015, 01:48
- Имя: ЮрСанич
- Звідки: Київ
- Мой типоразмер: H0, H0e
- Has thanked: 1951 times
- Been thanked: 4008 times
Re: Модульна станція Wild Tarik`a
А мне такой чпок тоже понравился. Цвет - это уже на любителя, а трава выросла очень даже реалистично.
Я сотый раз, опять начну сначала... (А.Макаревич)
- wildTarik
- Повідомлень: 341
- З нами з: 14 серпня 2015, 12:39
- Имя: Тарас
- Звідки: ст.Стрий Льв.зал.
- Мой типоразмер: TT, N
- Has thanked: 168 times
- Been thanked: 38 times
Re: Модульна станція Wild Tarik`a
Відвідавши Kyiv Scale Models Fest 2016 зарядився таким натхненням, що вчора і сьогодні весь вечір паяю парну горловину станції. Срач творчий, тому сорян

Герої не вмирають!
=================================

=================================

- youdmit
- Повідомлень: 3303
- З нами з: 30 липня 2015, 01:48
- Имя: ЮрСанич
- Звідки: Київ
- Мой типоразмер: H0, H0e
- Has thanked: 1951 times
- Been thanked: 4008 times
Re: Модульна станція Wild Tarik`a
Всё чинно и благородно. Порядок, можно сказать, идеальный.wildTarik писав: Срач творчий, тому сорян
Срач выглядит не так - я это точно знаю...
Я сотый раз, опять начну сначала... (А.Макаревич)
-
- Повідомлень: 113
- З нами з: 02 лютого 2016, 10:15
- Имя: Павло
- Звідки: Львів
- Мой типоразмер: H0
- Has thanked: 71 times
- Been thanked: 6 times
- Контактна інформація:
Re: Модульна станція Wild Tarik`a
Тарас, рекомендую, все ж паяти більш пологі стрілки. В мене на станції є стрілки з малими радіусами... шкодую на кожних покатушках. Тому, по головному ходу, на нових модулях депо вже сам паяв стрілки по 50 сантиметрів кожна. Воно того вартує! 
А те, що вас надихнуло - приємно!:) наступний раз - осінь, приєднуйтесь!
p.s.Шкода, що не познайомились.

А те, що вас надихнуло - приємно!:) наступний раз - осінь, приєднуйтесь!
p.s.Шкода, що не познайомились.
- wildTarik
- Повідомлень: 341
- З нами з: 14 серпня 2015, 12:39
- Имя: Тарас
- Звідки: ст.Стрий Льв.зал.
- Мой типоразмер: TT, N
- Has thanked: 168 times
- Been thanked: 38 times
Re: Модульна станція Wild Tarik`a
Привіт. Ну по радіусах я б не сказав, шо біда. Стрілка радіусом приблизно 500 мм, кут хрестовини 11,2 градуси, довжина від початку гостряків до кінця хрестовини 135 мм. Для ТТ, думаю, нормально. Принаймі прокатав пасажирський вагон - страшних зламів составу не помітив.
Дійсно шкода, що не познайомились. Але в нас було дуже мало часу. В сумі на виставці були до години часу. Якось ще познайомимось. І до мене можна на ти
Дійсно шкода, що не познайомились. Але в нас було дуже мало часу. В сумі на виставці були до години часу. Якось ще познайомимось. І до мене можна на ти

Герої не вмирають!
=================================

=================================

- Stinky
- Супермодератор
- Повідомлень: 6232
- З нами з: 16 травня 2015, 01:19
- Имя: Дионисий
- Звідки: Kiew
- Мой типоразмер: Н0
- Has thanked: 1400 times
- Been thanked: 3009 times
- Контактна інформація:
Re: Модульна станція Wild Tarik`a
Согласен что на покате КМ стрелки выглядят очень круто.Но на пайку своих стрелок
как то не дозрел.
как то не дозрел.


- wildTarik
- Повідомлень: 341
- З нами з: 14 серпня 2015, 12:39
- Имя: Тарас
- Звідки: ст.Стрий Льв.зал.
- Мой типоразмер: TT, N
- Has thanked: 168 times
- Been thanked: 38 times
Re: Модульна станція Wild Tarik`a
За останні дні трохи попаяв, поковиряв. За сьогодні переставив два BTTB пасажира на сцепки Kadee. Тепер ламаю голову як їх поставити на лок. Також зробив "теплицю" для захисту від пилу. Залишилось плівкою затягнути. Ну і на підході горловина.
Герої не вмирають!
=================================

=================================

- wildTarik
- Повідомлень: 341
- З нами з: 14 серпня 2015, 12:39
- Имя: Тарас
- Звідки: ст.Стрий Льв.зал.
- Мой типоразмер: TT, N
- Has thanked: 168 times
- Been thanked: 38 times
Re: Модульна станція Wild Tarik`a
Гуру аналогових макетів, до вас питання. Чи є необхідність робити ізольовану ділянку (Н3П, Н1П) перед вихідними? По логіці вона вроді як необхідна для запобігання виїзду локомотива в горловину (де може бути ще й інша полярність в рейках при схрещенні) при завтиці. Але от вони мене трохи смущають, бо живлення буде двома окремими блоками ШИМу для того, щоб при відстої вагонів без локомотива колія живилась "мінімальною напругою" від одного блоку і освітлення працювало, а інший - для поїзного/маневрового руху. Але зараз не про це. Просто якщо вагони залишаться на цій ізольованій дільниці, то й світла нє будьот. До того ж потрібно визначитись ще й з її довжиною. Ясно що довжина найбільшого локомотива плюс гальмівний шлях. Припустимо, що на майбутнє буде двосеційний лок. Його довжина приблизно 30 см, плюс 10 см на зупинку. Тоді нафік ту дільницю, якщо довжина колії метр з копійками (якщо без модуля-подовжувача). Може просто колію розділити пополам і через ЕЦ зав'язати наступним чином: вихідний закритий; при прийманні поїзда перша половина колії живиться від загального блоку живлення (може й через резистор, який знизить швидкість), а друга (перед вихідним) від нього ж але коли вона займеться - звучить звуковий сигнал про наближення. При відкритому вихідному обидві ділянки живляться від звичайного блока і ніц не пілікає. 

Герої не вмирають!
=================================

=================================
