75-т паровой кран от Weinert Modellbau
- Njkz72
- Повідомлень: 525
- З нами з: 14 жовтня 2015, 12:19
- Имя: Анатолий
- Звідки: Николаев
- Мой типоразмер: Н0
- Has thanked: 332 times
- Been thanked: 429 times
Re: 75-т паровой кран от Weinert Modellbau
Продолжение.
Востаннє редагувалось 10 березня 2017, 23:51 користувачем Njkz72, всього редагувалось 3 разів.
З повагою, Анатолій.
- Njkz72
- Повідомлень: 525
- З нами з: 14 жовтня 2015, 12:19
- Имя: Анатолий
- Звідки: Николаев
- Мой типоразмер: Н0
- Has thanked: 332 times
- Been thanked: 429 times
Re: 75-т паровой кран от Weinert Modellbau
Литые детали с фототравлением будут соединяться суперклеем. По другому никак. Стыки зашпаклюю и в покраску. Доступа внутрь уже не будет.
З повагою, Анатолій.
- Барбос
- Повідомлень: 1718
- З нами з: 20 березня 2016, 18:18
- Имя: Саша
- Звідки: Запорожье
- Мой типоразмер: СЖД
- Has thanked: 531 times
- Been thanked: 549 times
Re: 75-т паровой кран от Weinert Modellbau
Всё таки суперклей + шпатлёвкаNjkz72 писав:Литые детали с фототравлением будут соединяться суперклеем. По другому никак. Стыки зашпаклюю и в покраску. Доступа внутрь уже не будет.
- Njkz72
- Повідомлень: 525
- З нами з: 14 жовтня 2015, 12:19
- Имя: Анатолий
- Звідки: Николаев
- Мой типоразмер: Н0
- Has thanked: 332 times
- Been thanked: 429 times
Re: 75-т паровой кран от Weinert Modellbau
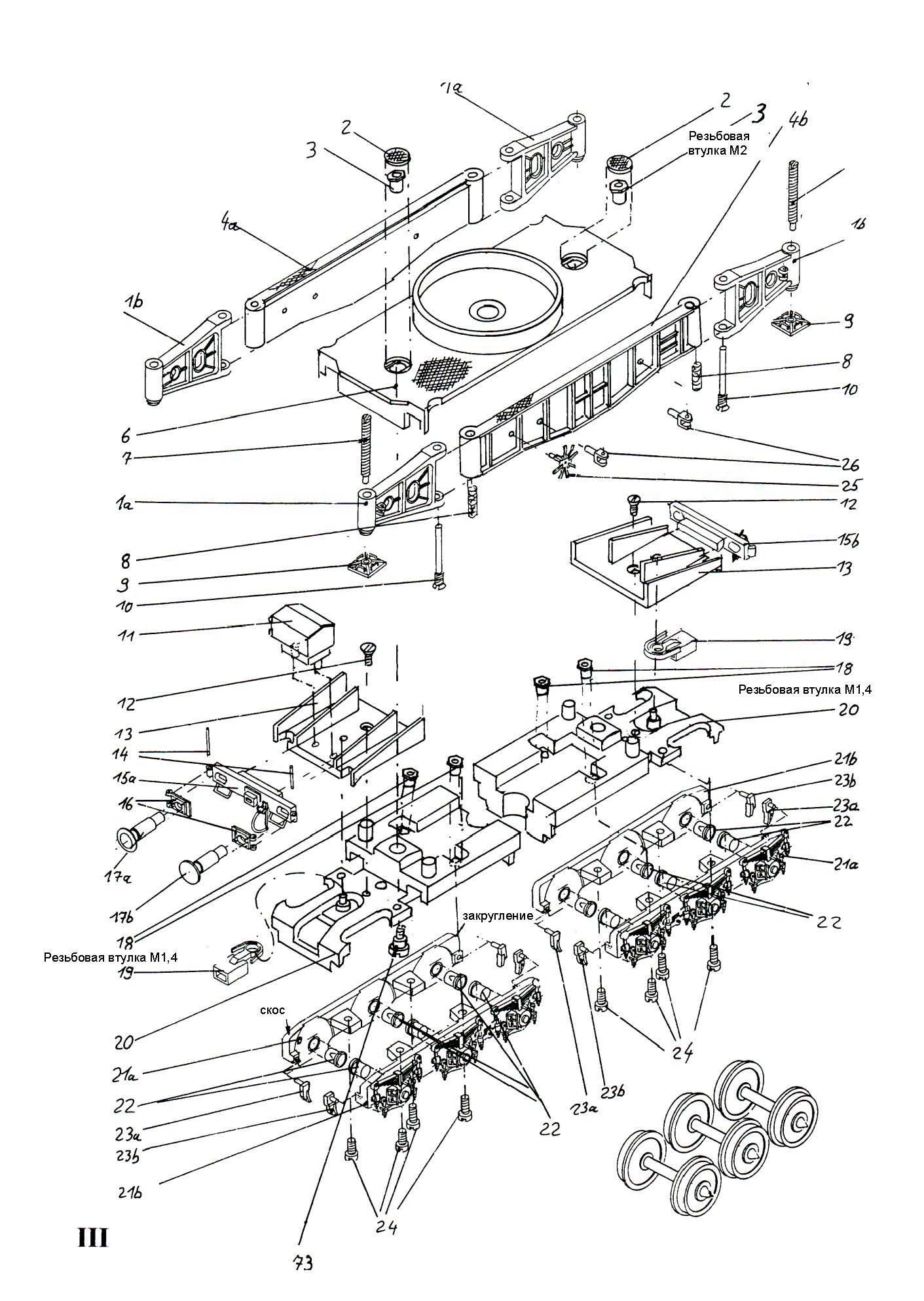
Давно не писал тут - занимался сборкой и подгонкой кучи разной мелочи в блоки, частичной покраской.
Итак, по порядку. Собрана и покрашена практически вся ходовая часть. Причём пришлось перекрашивать саму платформу. После первой покраски проявилась грубоватое литьё боковых поверхностей, причём в очень неудобных местах - в глубине бокового профиля. Пришлось смывать, зачищать и красить по новой. Вроде получилось. Вот вся масса деталей: С держателей пока не снимаю, чтобы не поцарапать.
Спаяна и покрашена стрела: Теперь вот эту всю мелочь вставляю в неё + шкивы (они уже чернённые): Покрасил кабину и башню. После вставки механизмов подъёма склею и покрашу второй раз. Краски применял автомобильные акриловые двухкомпонентные MobiHell.
Нитка в комплекте оказалась довольно жёсткой, типа льняной. Применять нельзя, будет стоять колом, как проволока. Особенно на механизме подъёма стрелы. Надо менять на капроновую, не ворсистую нить. Но подходящей по толщине (примерно №30) серой или тёмно-серой в продаже так и не нашёл. Есть только чёрная и коричневая. Кто как думает, чёрная нить как имитация троса подойдёт?
P.S. Хоть Weinert и серьёзная фирма, но косяки присутствуют. То же литьё с повышенной шероховатостью поверхности (видно, форма уже старая), недоливы деталей. Также есть несоответствие номеров деталей между сборочным чертежом и перечнем деталей на бронзовых литниках. Впрочем, всё это мелочи. Это я уже придираюсь. И не такое видели.
На этом пока всё.
Итак, по порядку. Собрана и покрашена практически вся ходовая часть. Причём пришлось перекрашивать саму платформу. После первой покраски проявилась грубоватое литьё боковых поверхностей, причём в очень неудобных местах - в глубине бокового профиля. Пришлось смывать, зачищать и красить по новой. Вроде получилось. Вот вся масса деталей: С держателей пока не снимаю, чтобы не поцарапать.
Спаяна и покрашена стрела: Теперь вот эту всю мелочь вставляю в неё + шкивы (они уже чернённые): Покрасил кабину и башню. После вставки механизмов подъёма склею и покрашу второй раз. Краски применял автомобильные акриловые двухкомпонентные MobiHell.
Нитка в комплекте оказалась довольно жёсткой, типа льняной. Применять нельзя, будет стоять колом, как проволока. Особенно на механизме подъёма стрелы. Надо менять на капроновую, не ворсистую нить. Но подходящей по толщине (примерно №30) серой или тёмно-серой в продаже так и не нашёл. Есть только чёрная и коричневая. Кто как думает, чёрная нить как имитация троса подойдёт?
P.S. Хоть Weinert и серьёзная фирма, но косяки присутствуют. То же литьё с повышенной шероховатостью поверхности (видно, форма уже старая), недоливы деталей. Также есть несоответствие номеров деталей между сборочным чертежом и перечнем деталей на бронзовых литниках. Впрочем, всё это мелочи. Это я уже придираюсь. И не такое видели.
На этом пока всё.
З повагою, Анатолій.
- OldVik
- Повідомлень: 251
- З нами з: 27 січня 2016, 04:25
- Имя: Виктор
- Звідки: Одесса
- Мой типоразмер: HO
- Been thanked: 2 times
Re: 75-т паровой кран от Weinert Modellbau
Кран супер. Давно к нему присматриваюсь. А брака у Вейнерта хватает. Практически через 1 пакет что то да не так. И шероховатость на отливках действительно попадается. За такие деньги это конечно большой минус.
- Stinky
- Супермодератор
- Повідомлень: 6337
- З нами з: 16 травня 2015, 01:19
- Имя: Дионисий
- Звідки: Kiew
- Мой типоразмер: Н0
- Has thanked: 1531 times
- Been thanked: 3313 times
- Контактна інформація:
Re: 75-т паровой кран от Weinert Modellbau
Ухты!Черный цвет отлично лег.А что значит двухкомпонентные краски?
Модель будет покрываться матовым лаком?Или полуматом?
Модель будет покрываться матовым лаком?Или полуматом?

- burbon
- Супермодератор
- Повідомлень: 1806
- З нами з: 04 травня 2015, 09:29
- Имя: Ігор
- Звідки: Київ, Україна
- Мой типоразмер: TT, Z, H0e
DIGITAL DCC/mfx
Ремонт, обслуговування та оцифровка моделей Z, N, TT, H0, 1, G - Has thanked: 249 times
- Been thanked: 992 times
Re: 75-т паровой кран от Weinert Modellbau
База + отвердитель.Stinky писав:...А что значит двухкомпонентные краски?
Лучше много раз по разу, чем ни разу много раз...
- Барбос
- Повідомлень: 1718
- З нами з: 20 березня 2016, 18:18
- Имя: Саша
- Звідки: Запорожье
- Мой типоразмер: СЖД
- Has thanked: 531 times
- Been thanked: 549 times
Re: 75-т паровой кран от Weinert Modellbau
Это что бы краска на латуни держалась крепко без грунта? или грунт все равно нужен?Njkz72 писав:...Краски применял автомобильные акриловые двухкомпонентные MobiHell...
Стрела - "красавица"!
- Njkz72
- Повідомлень: 525
- З нами з: 14 жовтня 2015, 12:19
- Имя: Анатолий
- Звідки: Николаев
- Мой типоразмер: Н0
- Has thanked: 332 times
- Been thanked: 429 times
Re: 75-т паровой кран от Weinert Modellbau
Да, двухкомпонентная краска - это как эпоксидка - сама краска (база)+отвердитель. Без отвердителя сохнет, но краска остаётся мягкая, продавливается ногтем. Когда то покрасил без отвердителя Ми-26 в 72-м масштабе. Ну, в общем, работы себе прибавил раза в три.
Под краской грунт в любом случае, особенно на металл. Без грунта акриловая краска ложится и держится плохо.
Глухой мат делать, естественно, не буду. Надо полумат. Скорее всего, смешаю глянцевый и матовый лаки примерно в одинаковых пропорциях.
Под краской грунт в любом случае, особенно на металл. Без грунта акриловая краска ложится и держится плохо.
Глухой мат делать, естественно, не буду. Надо полумат. Скорее всего, смешаю глянцевый и матовый лаки примерно в одинаковых пропорциях.
З повагою, Анатолій.
- Stinky
- Супермодератор
- Повідомлень: 6337
- З нами з: 16 травня 2015, 01:19
- Имя: Дионисий
- Звідки: Kiew
- Мой типоразмер: Н0
- Has thanked: 1531 times
- Been thanked: 3313 times
- Контактна інформація:
Re: 75-т паровой кран от Weinert Modellbau
Простите за занудство,а с чем связан выбор такого типа краски?У нее есть какое то преимущество
перед обычным акрилом?У этой двухкомпонентки едкий запах?
перед обычным акрилом?У этой двухкомпонентки едкий запах?

- Njkz72
- Повідомлень: 525
- З нами з: 14 жовтня 2015, 12:19
- Имя: Анатолий
- Звідки: Николаев
- Мой типоразмер: Н0
- Has thanked: 332 times
- Been thanked: 429 times
Re: 75-т паровой кран от Weinert Modellbau
В данном случае выбор краски основан на доступности необходимых цветов. Ну нет у меня (и в ближайшем окружении) нужного цвета. Сам пробовал мешать, но не получилось. А тут подобрали нужный оттенок.
Запах средний между водным акрилом и нитрокраской.
А вообще акрил не люблю, в любом виде. Предпочитаю нитрокраску. Ну вот такой изврат у меня.
Запах средний между водным акрилом и нитрокраской.
А вообще акрил не люблю, в любом виде. Предпочитаю нитрокраску. Ну вот такой изврат у меня.
З повагою, Анатолій.
- Njkz72
- Повідомлень: 525
- З нами з: 14 жовтня 2015, 12:19
- Имя: Анатолий
- Звідки: Николаев
- Мой типоразмер: Н0
- Has thanked: 332 times
- Been thanked: 429 times
Re: 75-т паровой кран от Weinert Modellbau
Вчера посидел ещё немного.
Собрал в кучу ходовую. Остаются из крупных частей - откидывающиеся буфера (рабочие!), фиксаторы опор. Эти части будут подвижными и съёмными соответственно. Дособирал стрелу - установил все шкивы и т.п. Наверное, сначала наложу декаль, а потом уже в сборку с башней. Собрал блоки и крюки.
Собрал в кучу ходовую. Остаются из крупных частей - откидывающиеся буфера (рабочие!), фиксаторы опор. Эти части будут подвижными и съёмными соответственно. Дособирал стрелу - установил все шкивы и т.п. Наверное, сначала наложу декаль, а потом уже в сборку с башней. Собрал блоки и крюки.
З повагою, Анатолій.
- Eisenbahn_H0
- Повідомлень: 533
- З нами з: 05 липня 2016, 18:44
- Имя: Leo
- Звідки: Киев
- Мой типоразмер: H0
- Has thanked: 1 time
- Been thanked: 1 time
- Eisenbahn_H0
- Повідомлень: 533
- З нами з: 05 липня 2016, 18:44
- Имя: Leo
- Звідки: Киев
- Мой типоразмер: H0
- Has thanked: 1 time
- Been thanked: 1 time
Re: 75-т паровой кран от Weinert Modellbau
"Гадкий утенок" с кучей косяков постепенно превращается в красавца-лебедя. 
- Stinky
- Супермодератор
- Повідомлень: 6337
- З нами з: 16 травня 2015, 01:19
- Имя: Дионисий
- Звідки: Kiew
- Мой типоразмер: Н0
- Has thanked: 1531 times
- Been thanked: 3313 times
- Контактна інформація:
Re: 75-т паровой кран от Weinert Modellbau
В умелых руках любой кит превратится в шедевр.Eisenbahn_H0 писав:"Гадкий утенок" с кучей косяков постепенно превращается в красавца-лебедя.

- Eisenbahn_H0
- Повідомлень: 533
- З нами з: 05 липня 2016, 18:44
- Имя: Leo
- Звідки: Киев
- Мой типоразмер: H0
- Has thanked: 1 time
- Been thanked: 1 time
Re: 75-т паровой кран от Weinert Modellbau
Умелые руки не только из кита могут создать шедевр! Кит только немного облегчает МАСТЕРУ процесс создания шедевра.Stinky писав:В умелых руках любой кит превратится в шедевр....
- Олег
- Повідомлень: 1437
- З нами з: 01 листопада 2015, 11:53
- Имя: Олег
- Звідки: Александрия Египет
- Мой типоразмер: Н0
- Has thanked: 416 times
- Been thanked: 103 times
Re: 75-т паровой кран от Weinert Modellbau
По традиции уже - высокое качество покраски и сборки. ФирмА, как ни круити 
Делай с нами, делай как мы, делай лучше нас .