Свет в наших моделях
- T-1000
- Повідомлень: 2589
- З нами з: 13 травня 2016, 23:55
- Имя: Вилен
- Звідки: Белополье
- Мой типоразмер: HO, H0
- Has thanked: 26 times
- Been thanked: 136 times
- Контактна інформація:
Re: BR 01, БР 01, передел реинкарнация.
Какая то хрень, перегорели все диоды и резистор, не пойму почему. Предполагаю просто гавеное качество. Заметил еще резистор очень грелся.
- Олег
- Повідомлень: 1437
- З нами з: 01 листопада 2015, 11:53
- Имя: Олег
- Звідки: Александрия Египет
- Мой типоразмер: Н0
- Has thanked: 370 times
- Been thanked: 102 times
Re: BR 01, БР 01, передел реинкарнация.
Сгорели? Значит не по номиналу... Ставьте резисторы 2,2 кОм , а Вы какие использовали 

Делай с нами, делай как мы, делай лучше нас .
- youdmit
- Повідомлень: 3303
- З нами з: 30 липня 2015, 01:48
- Имя: ЮрСанич
- Звідки: Київ
- Мой типоразмер: H0, H0e
- Has thanked: 1951 times
- Been thanked: 4008 times
Re: BR 01, БР 01, передел реинкарнация.
Вилен упоминал 300ом. На один светодиод при питании 12 v резистор должен быть не менее 1,5 ком.Олег писав: Ставьте резисторы 2,2 кОм , а Вы какие использовали?
Но для правильного решения вопроса надо посмотреть, как включены светодиоды.
Я сотый раз, опять начну сначала... (А.Макаревич)
- T-1000
- Повідомлень: 2589
- З нами з: 13 травня 2016, 23:55
- Имя: Вилен
- Звідки: Белополье
- Мой типоразмер: HO, H0
- Has thanked: 26 times
- Been thanked: 136 times
- Контактна інформація:
Re: BR 01, БР 01, передел реинкарнация.
Да у меня на 300 Ом резисторы. Пробовал на 1-3 кОм, еле светятся, почти не видно. Думаю нужно просто сменить диоды. Скорей всего китайская кака. Попробую сегодня вечером поставить смд с ленты, которые по 45 грн. рулонами продаются, может лучше будет.
Включены параллельно. То есть все через один резистор.
Включены параллельно. То есть все через один резистор.
- Njkz72
- Повідомлень: 518
- З нами з: 14 жовтня 2015, 12:19
- Имя: Анатолий
- Звідки: Николаев
- Мой типоразмер: Н0
- Has thanked: 309 times
- Been thanked: 422 times
Re: BR 01, БР 01, передел реинкарнация.
Неправильно!!! На каждый светодиод отдельный резистор!!! Потому то и горят и резисторы, и светодиоды.T-1000 писав:Включены параллельно. То есть все через один резистор.
На нём выделяется около 0,3 Вт. Ещё бы ему не греться.T-1000 писав:Заметил еще резистор очень грелся.
З повагою, Анатолій.
- T-1000
- Повідомлень: 2589
- З нами з: 13 травня 2016, 23:55
- Имя: Вилен
- Звідки: Белополье
- Мой типоразмер: HO, H0
- Has thanked: 26 times
- Been thanked: 136 times
- Контактна інформація:
Re: BR 01, БР 01, передел реинкарнация.
Пробовал на каждый отдельно, тогда один светится ярче, другой еле еле.Njkz72 писав:Неправильно!!! На каждый светодиод отдельный резистор!!! Потому то и горят и резисторы, и светодиоды.T-1000 писав:Включены параллельно. То есть все через один резистор.На нём выделяется около 0,3 Вт. Ещё бы ему не греться.T-1000 писав:Заметил еще резистор очень грелся.
- Njkz72
- Повідомлень: 518
- З нами з: 14 жовтня 2015, 12:19
- Имя: Анатолий
- Звідки: Николаев
- Мой типоразмер: Н0
- Has thanked: 309 times
- Been thanked: 422 times
Re: BR 01, БР 01, передел реинкарнация.
Значит, слишком разные светодиоды. Индивидуальным резистором на каждом светодиоде можно подбирать ток, соответственно, его яркость. Я применяю светодиоды типоразмера 0805 или 0603 Вот такие, например http://aukro.ua/svetodiod-led-smd-0603- ... 65284.html или http://aukro.ua/svetodiod-smd-0805-zhel ... 97329.html.
( Хм, странно, выбор сейчас очень маленький. Может все на море?)
Ток через светодиод делал около 3 мА. Светят ярко и равномерно. Попробую фотографировать, покажу.
Вот Но у меня освещение на стабилизаторе тока, а не напрямую.
( Хм, странно, выбор сейчас очень маленький. Может все на море?)
Ток через светодиод делал около 3 мА. Светят ярко и равномерно. Попробую фотографировать, покажу.
Вот Но у меня освещение на стабилизаторе тока, а не напрямую.
З повагою, Анатолій.
- Олег
- Повідомлень: 1437
- З нами з: 01 листопада 2015, 11:53
- Имя: Олег
- Звідки: Александрия Египет
- Мой типоразмер: Н0
- Has thanked: 370 times
- Been thanked: 102 times
Re: BR 01, БР 01, передел реинкарнация.
Анатолий, очень хорошее освещение получилось . Если можно, то дайте схему со стабилизатом тока
Спасибо

Спасибо

Делай с нами, делай как мы, делай лучше нас .
- T-1000
- Повідомлень: 2589
- З нами з: 13 травня 2016, 23:55
- Имя: Вилен
- Звідки: Белополье
- Мой типоразмер: HO, H0
- Has thanked: 26 times
- Been thanked: 136 times
- Контактна інформація:
Re: BR 01, БР 01, передел реинкарнация.
Да спасибо за ссылки, я в электронике дуб вообще, попробую с теми, что есть, отпишусь.
Немного грешу на свой блок питания, сегодня так лупонуло током, что и прозрел. Диоды должны быть одинаковые но видимо все таки разные.
Кстати, что если попробовать поставить резисторы подстроечные? Вращалки.
И какой нужен резистор, чтоб от него все диоды запитать в локе? Правильно понял 1,5 кОм?
Немного грешу на свой блок питания, сегодня так лупонуло током, что и прозрел. Диоды должны быть одинаковые но видимо все таки разные.
Кстати, что если попробовать поставить резисторы подстроечные? Вращалки.
И какой нужен резистор, чтоб от него все диоды запитать в локе? Правильно понял 1,5 кОм?
- Njkz72
- Повідомлень: 518
- З нами з: 14 жовтня 2015, 12:19
- Имя: Анатолий
- Звідки: Николаев
- Мой типоразмер: Н0
- Has thanked: 309 times
- Been thanked: 422 times
Re: BR 01, БР 01, передел реинкарнация.
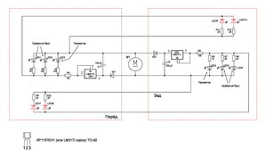
Расположение в кабине BR80:
Востаннє редагувалось 14 липня 2016, 21:59 користувачем Njkz72, всього редагувалось 1 раз.
З повагою, Анатолій.
- T-1000
- Повідомлень: 2589
- З нами з: 13 травня 2016, 23:55
- Имя: Вилен
- Звідки: Белополье
- Мой типоразмер: HO, H0
- Has thanked: 26 times
- Been thanked: 136 times
- Контактна інформація:
Re: BR 01, БР 01, передел реинкарнация.
Большое причем спасибо
Я так понимаю, на втором рисунке схема сверху свет назад? Нижняя вперед?
Что такое С1? Простите за нубский вопрос

Я так понимаю, на втором рисунке схема сверху свет назад? Нижняя вперед?
Что такое С1? Простите за нубский вопрос

- Олег
- Повідомлень: 1437
- З нами з: 01 листопада 2015, 11:53
- Имя: Олег
- Звідки: Александрия Египет
- Мой типоразмер: Н0
- Has thanked: 370 times
- Been thanked: 102 times
Re: BR 01, БР 01, передел реинкарнация.
Схема нижняя на движение вперед и назад , она одна и та же, только питание меняется на + или - Только их нужно двеT-1000 писав:Большое причем спасибо![]()
Я так понимаю, на втором рисунке схема сверху свет назад? Нижняя вперед?
Что такое С1? Простите за нубский вопрос

Делай с нами, делай как мы, делай лучше нас .
- Njkz72
- Повідомлень: 518
- З нами з: 14 жовтня 2015, 12:19
- Имя: Анатолий
- Звідки: Николаев
- Мой типоразмер: Н0
- Has thanked: 309 times
- Been thanked: 422 times
Re: BR 01, БР 01, передел реинкарнация.
Олег уже ответил, это одна и та же схема. Различие в подключении светодиодов. Верхняя - размещение светодиодов в буферном брусе BR55, верхнего прожектора нет. Гораздо удобнее было вести проводку при последовательном подключении светодиодов.T-1000 писав:Я так понимаю, на втором рисунке схема сверху свет назад? Нижняя вперед?
Что такое С1?
Нижняя - в BR80. Здесь подключил светодиоды параллельно, но каждый через свой резистор.Для освещения вперёд -назад спаиваются две одинаковые схемы.
С1 - конденсатор, LM317 (или его аналог) - регулируемый стабилизатор напряжения. Но включённый по схеме стабилизации тока.
З повагою, Анатолій.
- T-1000
- Повідомлень: 2589
- З нами з: 13 травня 2016, 23:55
- Имя: Вилен
- Звідки: Белополье
- Мой типоразмер: HO, H0
- Has thanked: 26 times
- Been thanked: 136 times
- Контактна інформація:
Свет в наших моделях
Предлагаю сюда выкладывать наши схемы с описанием, ну и при возможности фото результата.
- Njkz72
- Повідомлень: 518
- З нами з: 14 жовтня 2015, 12:19
- Имя: Анатолий
- Звідки: Николаев
- Мой типоразмер: Н0
- Has thanked: 309 times
- Been thanked: 422 times
Re: Свет в наших моделях
Выкладываю полную схему освещения локомотивов с краткими пояснениями.
Светодиоды LED1-LED6 - 0603 белые или жёлтые.
Светодиоды LED7-LED10 – красные. Если не нужны (в паровозах, например), то не ставим.
Если светодиоды располагаются не в корпусе фары, а в корпусе локомотива – подойдут светодиоды размера 0805 и больше.
Диоды VD1, VD2 - КД521, КД522, КД102 или аналогичные по размерам и характеристикам импортные.
Стабилизаторы VR1, VR2 - LM317 или аналоги (КР1157ЕН1) в корпусе ТО-92 или SO-8.
Резисторы R4 и R5 рассчитываются по формуле:
R=1,25/I, где I - суммарный ток через все светодиоды данного стабилизатора тока.
Т.е., если мы не ставим красные светодиоды, то R4 и R5 выбираем по 200 Ом при токе через один светодиод 2мА (у меня).
Кстати, резисторы для красных светодиодов советую подобрать опытным путём. По идее, немного больше, чем для белых. Ом 30-40, может больше. Красные лично у себя на моделях не ставил, пока не нужны были.
Если есть место, конденсаторы С1 и С2 следует брать 220 - 470 мкФ. Электролитические, а лучше танталовые SMD (для поверхностного монтажа).
Светодиоды LED1-LED6 - 0603 белые или жёлтые.
Светодиоды LED7-LED10 – красные. Если не нужны (в паровозах, например), то не ставим.
Если светодиоды располагаются не в корпусе фары, а в корпусе локомотива – подойдут светодиоды размера 0805 и больше.
Диоды VD1, VD2 - КД521, КД522, КД102 или аналогичные по размерам и характеристикам импортные.
Стабилизаторы VR1, VR2 - LM317 или аналоги (КР1157ЕН1) в корпусе ТО-92 или SO-8.
Резисторы R4 и R5 рассчитываются по формуле:
R=1,25/I, где I - суммарный ток через все светодиоды данного стабилизатора тока.
Т.е., если мы не ставим красные светодиоды, то R4 и R5 выбираем по 200 Ом при токе через один светодиод 2мА (у меня).
Кстати, резисторы для красных светодиодов советую подобрать опытным путём. По идее, немного больше, чем для белых. Ом 30-40, может больше. Красные лично у себя на моделях не ставил, пока не нужны были.
Если есть место, конденсаторы С1 и С2 следует брать 220 - 470 мкФ. Электролитические, а лучше танталовые SMD (для поверхностного монтажа).
Востаннє редагувалось 09 січня 2017, 20:18 користувачем Njkz72, всього редагувалось 2 разів.
З повагою, Анатолій.
- Олег
- Повідомлень: 1437
- З нами з: 01 листопада 2015, 11:53
- Имя: Олег
- Звідки: Александрия Египет
- Мой типоразмер: Н0
- Has thanked: 370 times
- Been thanked: 102 times
Re: Свет в наших моделях
Всем привет!
Имею в коллекции лок от Proto 2000 c интересной на мой взгляд схемой освещения. Все элементы похожи на диоды , но все же я знаю,что там без стабилитрона не обошлось
Свет выполнен на лампах, горят лампы ровным сетом по ходу движения на любом напряжении. Схема очень полезна для *паровозников* и новичков в этом деле
Если кому интересно буду стараться прочитать маркировку на радиодеталях. И немного фото
Имею в коллекции лок от Proto 2000 c интересной на мой взгляд схемой освещения. Все элементы похожи на диоды , но все же я знаю,что там без стабилитрона не обошлось


Если кому интересно буду стараться прочитать маркировку на радиодеталях. И немного фото

Делай с нами, делай как мы, делай лучше нас .
- Njkz72
- Повідомлень: 518
- З нами з: 14 жовтня 2015, 12:19
- Имя: Анатолий
- Звідки: Николаев
- Мой типоразмер: Н0
- Has thanked: 309 times
- Been thanked: 422 times
Re: Свет в наших моделях
Судя по первому фото, в схеме только диоды 1N4001 - аналог КД102, КД522. Собрали просто диодный мост, а где то ещё стабилизатор спрятали? Тогда почему только три диода, где ещё один? Или больше ничего нет? Надо всю схему подключения ламп рисовать.
З повагою, Анатолій.
- Олег
- Повідомлень: 1437
- З нами з: 01 листопада 2015, 11:53
- Имя: Олег
- Звідки: Александрия Египет
- Мой типоразмер: Н0
- Has thanked: 370 times
- Been thanked: 102 times
Re: Свет в наших моделях
В схеме шесть диодов 1N 4002. Если выйдет провернуть фокус на светодиодах и без блымалки - будет бимба в лоб



Делай с нами, делай как мы, делай лучше нас .