"Кирпич" решает всё?

Старий добрий "кірпіч" (не плутаємо з цеглою:) ) ще ніхто не скасовував,
Відповісти
depeche
Повідомлень: 97
З нами з: 26 січня 2020, 12:54
Имя: Андрій
Мой типоразмер: ТТ
Has thanked: 14 times
Been thanked: 12 times

"Кирпич" решает всё?

Повідомлення depeche »

Держа в руках "кирпич", чувствуется, что это ВЕЩЬ (правда было это в далеком детстве, когда всё было больше, тяжелее и зеленее)!
Крутя в руках аналоговый пульт из Тиллиговского стартового набора, кажется, что еще один кружок на стартовом овале он не переживет.
Насколько знаю, "кирпич" имеет выход не только на рельсы, но и для подключения аксессуаров, мой новый пульт имеет скупые 2 клеммы. Я сейчас на цифре и эти предметы меня интересуют в плане управления аксессуарами.
Собсно вопрос. Всё ли так плохо в новоделе или он на легке уделает старичка? По идее, несколько соленоидов для стрелок он осилить должен. Но может "кирпич" сможет больше (выходов то больше)? Ведь не стрелками едиными.
Буду благодарен, если подтвердите или опровергните мои домыслы.
Я НЕ збудую свою залізницю! З блекджеком і курвами!
Аватар користувача
youdmit
Повідомлень: 3349
З нами з: 30 липня 2015, 01:48
Имя: ЮрСанич
Звідки: Київ
Мой типоразмер: H0, H0e
Has thanked: 2089 times
Been thanked: 4157 times

Re: "Кирпич" решает всё?

Повідомлення youdmit »

depeche писав:... несколько соленоидов для стрелок он осилить должен. Но может "кирпич" сможет больше (выходов то больше)? Ведь не стрелками едиными.
Кирпич сможет больше потому, что для питания аксессуаров используется напряжение 16 v переменного тока. Именно для соленоидов это весьма актуально. От питания постоянным током соленоиды тоже будут срабатывать, но со временем намагнитятся и возникнут проблемы.
P.S. У меня соленоиды отсутствуют как класс, но на переменку от кирпича поставил классический диодный мост и использую для светодиодного освещения - чего обмотке вхолостую прохлаждаться... :roll:
Я сотый раз, опять начну сначала... (А.Макаревич)
Аватар користувача
Stinky
Супермодератор
Повідомлень: 6309
З нами з: 16 травня 2015, 01:19
Имя: Дионисий
Звідки: Kiew
Мой типоразмер: Н0
Has thanked: 1492 times
Been thanked: 3230 times
Контактна інформація:

Re: "Кирпич" решает всё?

Повідомлення Stinky »

Пульт от Тиллига не плох как для ШИМ пульта.Лучше нового Пико,которые пихают в стартовики.
Но это он хорош в катании паровозиков.В освещении и стрелках,как писал выше ЮрСаныч будет
пичаль.
Сам кирпич мощен во всех отношениях.У меня на макете была запитка двадцати стрелок(аналог) и
все освещение (на лампах) от двух кирпичей.При этом они даже не напрягались. 8-)
Зображення
Аватар користувача
burbon
Супермодератор
Повідомлень: 1786
З нами з: 04 травня 2015, 09:29
Имя: Ігор
Звідки: Київ, Україна
Мой типоразмер: TT, Z, H0e
DIGITAL DCC/mfx
Ремонт, обслуговування та оцифровка моделей Z, N, TT, H0, 1, G
Has thanked: 238 times
Been thanked: 949 times

Re: "Кирпич" решает всё?

Повідомлення burbon »

Вставлю и свои пять копеек ;)
Кирпич, если мне не изменяет память имеет до 1,5А на выходе. Юзеры "кирпичей" поправте меня по характеристикам. У Tillig со стартового набора 550mA с ШИМ. Выходная мощность на прямую связана с технологиями и моделями. Взять к примеру старопиковский Е44 с двумя моторами. В пике он мог взять до 1,2А. Современные локи в среднем берут до 350mA. Допвыход АС это неоспоримый плюс, но "кирпич" в стартовых наборах не шел ;) Кстати, у Tillig-а есть два вида пультов с аксессуарными допвыходами АС. Что же касается управления солиноидами тут я поддержу Юрия Александровича. Возьмите отдельный б/п на 16В АС до 1А и не будет проблем с солиноидами.
Лучше много раз по разу, чем ни разу много раз...
railmodel
Повідомлень: 353
З нами з: 24 серпня 2016, 07:38
Имя: railmodel
Звідки: Киев
Мой типоразмер: H0
Has thanked: 22 times
Been thanked: 39 times

Re: "Кирпич" решает всё?

Повідомлення railmodel »

Кстати, для снижения пикового потребления тока стрелки переводят по очереди — не вручную, конечно, а примемением схемотехнических решений.
Аватар користувача
youdmit
Повідомлень: 3349
З нами з: 30 липня 2015, 01:48
Имя: ЮрСанич
Звідки: Київ
Мой типоразмер: H0, H0e
Has thanked: 2089 times
Been thanked: 4157 times

Re: "Кирпич" решает всё?

Повідомлення youdmit »

burbon писав:Кирпич, если мне не изменяет память имеет до 1,5А на выходе. Юзеры "кирпичей" поправте меня по характеристикам.
1,2А.
Я сотый раз, опять начну сначала... (А.Макаревич)
Аватар користувача
Санёк-69
Повідомлень: 434
З нами з: 10 лютого 2017, 13:05
Имя: Александр
Звідки: Житомир
Мой типоразмер: НО/ТТ
Has thanked: 1370 times
Been thanked: 398 times

Re: "Кирпич" решает всё?

Повідомлення Санёк-69 »

burbon писав:Возьмите отдельный б/п на 16В АС до 1А и не будет проблем с солиноидами.
У Marklin есть т.н. осветительные трансформаторы (Licht trafo), только для стрелок и освещения
переменка 16V - от 2,25 до 3,75 А.
- старые в металлическом корпусе: 6210(50VA), 6211(50VA), 6337(36VA)
- в пластиковом корпусе: 6611(40VA), 6002(52VA), 6005(60VA)
У нас иногда появляются. Сейчас пробовал найти, наверное уже забрали, - на олх и других купи-продайках о-о-очень долго висел лот на 6-ть трансов (1 универсальный, и 5-ть осветительных), сначала была цена 600 грн. за всё, а потом ещё меньше.
mt.jpg
Женя Харьков
Повідомлень: 138
З нами з: 14 жовтня 2016, 16:02
Имя: Евгений
Звідки: Харкiв
Мой типоразмер: H0
Has thanked: 173 times
Been thanked: 12 times

Re: "Кирпич" решает всё?

Повідомлення Женя Харьков »

depeche писав: Собсно вопрос. Всё ли так плохо в новоделе или он на легке уделает старичка?
Не очень уверен, но мне кажется, что кирпичем стартовики не комплектовали. Всегда считал что его покупали отдельно, нет?
Моїм найвищим законом, е наказ командира и воля українського народу.
depeche
Повідомлень: 97
З нами з: 26 січня 2020, 12:54
Имя: Андрій
Мой типоразмер: ТТ
Has thanked: 14 times
Been thanked: 12 times

Re: "Кирпич" решает всё?

Повідомлення depeche »

Женя Харьков писав: Не очень уверен, но мне кажется, что кирпичем стартовики не комплектовали. Всегда считал что его покупали отдельно, нет?
выше уже указывали, что стартовики "кирпичами" не снабжали.
Но, я вспоминаю свой пульт. Тот что был к 12 мм был довольно солидный и выглядел как "кирпич" срезанный наполовину, такой себе блинчик. А вот пульт, который был уже ближе к концу 80-х и шел с железкой Н0, хоть по форме и напоминал предыдущий, но был вообще на батарейках... :shock:
Я НЕ збудую свою залізницю! З блекджеком і курвами!
Pantograph
Повідомлень: 202
З нами з: 11 лютого 2017, 13:13
Имя: Vlad
Звідки: KIEV
Мой типоразмер: H0, 1:72
Has thanked: 2 times
Been thanked: 4 times

Re: "Кирпич" решает всё?

Повідомлення Pantograph »

Кирпичи есть также от роко, трикса, фляйша, это те которые постоянку с переменкой в одном блоке совмещают. 8-)
«Сто грамм не стоп-кран: дёрнешь — не остановишься!»
Аватар користувача
Санёк-69
Повідомлень: 434
З нами з: 10 лютого 2017, 13:05
Имя: Александр
Звідки: Житомир
Мой типоразмер: НО/ТТ
Has thanked: 1370 times
Been thanked: 398 times

Re: "Кирпич" решает всё?

Повідомлення Санёк-69 »

У Трикса и Фляйша выход (переменка) на стрелки и освещение - 14V, а у Пико - 16V.
Старые Пикошные стрелки на соленоидах и от 14V срабатывают, а если ещё освещение подгрузить, или ещё пару стрелок? В электрике не силён, не знаю, на сколько тут критична разница 14 и 16V?
Pantograph
Повідомлень: 202
З нами з: 11 лютого 2017, 13:13
Имя: Vlad
Звідки: KIEV
Мой типоразмер: H0, 1:72
Has thanked: 2 times
Been thanked: 4 times

Re: "Кирпич" решает всё?

Повідомлення Pantograph »

Санёк-69 писав:У Трикса и Фляйша выход (переменка) на стрелки и освещение - 14V, а у Пико - 16V.
Не знал, Спасибо.
«Сто грамм не стоп-кран: дёрнешь — не остановишься!»
Аватар користувача
burbon
Супермодератор
Повідомлень: 1786
З нами з: 04 травня 2015, 09:29
Имя: Ігор
Звідки: Київ, Україна
Мой типоразмер: TT, Z, H0e
DIGITAL DCC/mfx
Ремонт, обслуговування та оцифровка моделей Z, N, TT, H0, 1, G
Has thanked: 238 times
Been thanked: 949 times

Re: "Кирпич" решает всё?

Повідомлення burbon »

Pantograph писав:Кирпичи есть также от роко, трикса, фляйша, это те которые постоянку с переменкой в одном блоке совмещают. 8-)
Позволю себе немного флуда :)
"Кирпич" погоняло собственное, прилипшее к конкретному б/п, а именно Piko FZ1 за его габарит и вес.
Ну а все остальное это просто б/п
Лучше много раз по разу, чем ни разу много раз...
Аватар користувача
Stinky
Супермодератор
Повідомлень: 6309
З нами з: 16 травня 2015, 01:19
Имя: Дионисий
Звідки: Kiew
Мой типоразмер: Н0
Has thanked: 1492 times
Been thanked: 3230 times
Контактна інформація:

Re: "Кирпич" решает всё?

Повідомлення Stinky »

burbon писав: "Кирпич" погоняло собственное, прилипшее к конкретному б/п, а именно Piko FZ1 за его габарит и вес.
Ну а все остальное это просто б/п
Поддерживаю целиком и полностью.Не надо обобщать. 8-)
Зображення
Pantograph
Повідомлень: 202
З нами з: 11 лютого 2017, 13:13
Имя: Vlad
Звідки: KIEV
Мой типоразмер: H0, 1:72
Has thanked: 2 times
Been thanked: 4 times

Re: "Кирпич" решает всё?

Повідомлення Pantograph »

burbon писав:
Pantograph писав:Кирпичи есть также от роко, трикса, фляйша, это те которые постоянку с переменкой в одном блоке совмещают. 8-)
Позволю себе немного флуда :)
"Кирпич" погоняло собственное, прилипшее к конкретному б/п, а именно Piko FZ1 за его габарит и вес.
Ну а все остальное это просто б/п
С геометрией нельзя не согласиться... :lol:
«Сто грамм не стоп-кран: дёрнешь — не остановишься!»
Mukered
Новичок
Повідомлень: 1
З нами з: 08 серпня 2025, 15:47
Имя: Mukered
Мой типоразмер: H0

Re: "Кирпич" решает всё?

Повідомлення Mukered »

Здравствуйте!

Планирую строительство гаража и частично забор из кирпича. Вижу, что есть разные варианты на Розетке — от дешёвого строительного до декоративного клинкерного.

Хотелось бы понять:

Какой кирпич оптимален по цене и качеству для таких задач?

Есть ли разница в долговечности между керамическим и силикатным?

Стоит ли использовать облицовочный кирпич сразу или можно отложить отделку?

Буду рад вашим советам и примерам из личного опыта.
PIKO_HO
Повідомлень: 535
З нами з: 20 вересня 2020, 18:14
Имя: Андрей
Звідки: Днепр
Мой типоразмер: НО, N
Has thanked: 1099 times
Been thanked: 358 times

Re: "Кирпич" решает всё?

Повідомлення PIKO_HO »

Уважаемый Mukered!
Стремление строить - во все времена прекрасно!
НО!
Вы немного не в теме!
На сленге моделистов - железнодорожников
"кирпич" - это БЛОК ПИТАНИЯ для локомотивов и аксессуаров модельной железной дороги
PIKO FZ1, напоминающей своей формой именно, кирпич!
Можете погуглить!
Моделювання - не копіювання, а мистецтво відображення!
via982
Повідомлень: 266
З нами з: 02 липня 2016, 12:58
Имя: Вячеслав
Звідки: Одеса
Мой типоразмер: Н0
Has thanked: 27 times
Been thanked: 198 times

Re: "Кирпич" решает всё?

Повідомлення via982 »

Спасибо, поржал)))
Рашистам - пекло!
4887
Повідомлень: 54
З нами з: 14 серпня 2015, 20:39
Имя: Андрей Николаевич
Звідки: Киев, Кардачи
Мой типоразмер: N
Been thanked: 3 times

Re: "Кирпич" решает всё?

Повідомлення 4887 »

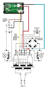
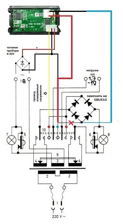
Вот, набросал доработку кирпича. Сейчас такую делаю...
Фотки из Инета, я просто обозначил нужные соединения. На коленке вроде все работает.
моя доработка.jpg
Відповісти

Повернутись до “Аналогове керування”