Шлагбаум ріко
-
- Повідомлень: 19
- З нами з: 19 серпня 2024, 13:46
- Имя: Олександр
- Мой типоразмер: НО
- Been thanked: 2 times
Шлагбаум ріко
Доброго дня. Цікавить схема підключення шлагбаума. Там два контакти на котушку. Які треба модулі. Може в кого є схема? Дякую
- burbon
- Супермодератор
- Повідомлень: 1736
- З нами з: 04 травня 2015, 09:29
- Имя: Ігор
- Звідки: Київ, Україна
- Мой типоразмер: TT, Z, H0e
DIGITAL DCC/mfx
Ремонт, обслуговування та оцифровка моделей Z, N, TT, H0, 1, G - Has thanked: 226 times
- Been thanked: 917 times
Re: Шлагбаум ріко
Та нічого там не треба. 14~16 змінного струму для закриття шлакбаума, без живлення він відкривається під вагою противоваги.
Лучше много раз по разу, чем ни разу много раз...
-
- Повідомлень: 483
- З нами з: 20 вересня 2020, 18:14
- Имя: Андрей
- Звідки: Днепр
- Мой типоразмер: НО, N
- Has thanked: 1001 times
- Been thanked: 298 times
Re: Шлагбаум ріко
Ігоре, доброї ночи! Як я розумію, людину цікавить схема підключення з використанням комутаційного реле, рейкових педалей та розрізних рейок?
Моделювання - не копіювання, а мистецтво відображення!
-
- Повідомлень: 19
- З нами з: 19 серпня 2024, 13:46
- Имя: Олександр
- Мой типоразмер: НО
- Been thanked: 2 times
- burbon
- Супермодератор
- Повідомлень: 1736
- З нами з: 04 травня 2015, 09:29
- Имя: Ігор
- Звідки: Київ, Україна
- Мой типоразмер: TT, Z, H0e
DIGITAL DCC/mfx
Ремонт, обслуговування та оцифровка моделей Z, N, TT, H0, 1, G - Has thanked: 226 times
- Been thanked: 917 times
Re: Шлагбаум ріко
Цеж інше питанняOkeksandrshasta писав: ↑15 вересня 2024, 08:36Так. Саме схема!. Треба щоб спрацьовував при під'їзді потягу.

На аналогу можна використати готовий девайс. Мануал виклав в відповідному розділі.
Лучше много раз по разу, чем ни разу много раз...
-
- Повідомлень: 19
- З нами з: 19 серпня 2024, 13:46
- Имя: Олександр
- Мой типоразмер: НО
- Been thanked: 2 times
- burbon
- Супермодератор
- Повідомлень: 1736
- З нами з: 04 травня 2015, 09:29
- Имя: Ігор
- Звідки: Київ, Україна
- Мой типоразмер: TT, Z, H0e
DIGITAL DCC/mfx
Ремонт, обслуговування та оцифровка моделей Z, N, TT, H0, 1, G - Has thanked: 226 times
- Been thanked: 917 times
Re: Шлагбаум ріко
Якщо Ви залогінились то все буде. Якщо Ви дивитесь форум без авторизації і переходите за посиланням то побачите тільки текст та попередження як Ви написали.
Лучше много раз по разу, чем ни разу много раз...
-
- Повідомлень: 483
- З нами з: 20 вересня 2020, 18:14
- Имя: Андрей
- Звідки: Днепр
- Мой типоразмер: НО, N
- Has thanked: 1001 times
- Been thanked: 298 times
Re: Шлагбаум ріко
Доброго вечора, колеги! Вибачте, хворію, тому й трошки забарився з відповіддю.
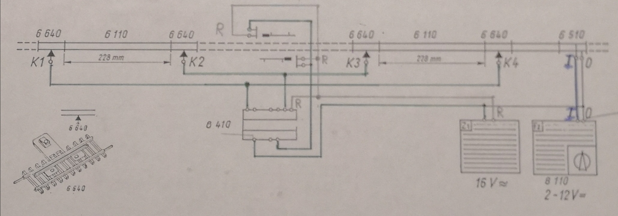
Саме цікаве те, що 'переводити' схему ТТ підключення таких шлагбаймів помийдеться в НО самотужки. Головний елемент - це комутаційне реле вттв. З ним нічого не треба робить. Дивитесь каталожні номери елементів рейок ТТ й бачите, що то 'рейкова педаль', потім рейки з одним або двома розрізами. Збираєте, підключаєте. І все. Схема аналогов, але надійна. Бажаю успіхів!
Саме цікаве те, що 'переводити' схему ТТ підключення таких шлагбаймів помийдеться в НО самотужки. Головний елемент - це комутаційне реле вттв. З ним нічого не треба робить. Дивитесь каталожні номери елементів рейок ТТ й бачите, що то 'рейкова педаль', потім рейки з одним або двома розрізами. Збираєте, підключаєте. І все. Схема аналогов, але надійна. Бажаю успіхів!
Моделювання - не копіювання, а мистецтво відображення!
- Санёк-69
- Повідомлень: 421
- З нами з: 10 лютого 2017, 13:05
- Имя: Александр
- Звідки: Житомир
- Мой типоразмер: НО/ТТ
- Has thanked: 1302 times
- Been thanked: 364 times